¿Qué es un flip flop?
El flip flop es el nombre común que se le da a los dispositivos de dos estados (biestables), que sirven como memoria básica para las operaciones de lógica secuencial. Los Flip-flops son ampliamente usados para el almacenamiento y transferencia de datos digitales y se usan normalmente en unidades llamadas «registros», para el almacenamiento de datos numéricos binarios.

Son dispositivos con memoria mas comúnmente utilizados. Sus características principales son:
- Asumen solamente uno de dos posibles estados de salida.
- Tienen un par de salidas que son complemento una de la otra.
- Tienen una o mas entradas que pueden causar que el estado del componente cambie.
Los flip flops se pueden clasificar en dos:
Asíncronos: Sólo tienen entradas de control. El mas empleado es el RS.
Síncronos: Ademas de las entradas de control necesita un entrada sincronismo o de reloj.
Una vez teniendo una idea de lo que es un flip flop vamos a describir los mas utilizados.
Flip-Flop R-S (Set-Reset)
Utiliza dos compuertas NOR. S y R son las entradas, mientras que Q y Q’ son las salidas (Q es generalmente la salida que se busca manipular.)
La conexión cruzada de la salida de cada compuerta a la entrada de la otra construye el lazo de reglamentación imprescindible en todo dispositivo de memoria.
Para saber el funcionamiento de estos componentes se utilizan las Tablas de verdad.
Si no se activa ninguna de las entradas, permanece en el ultimo estado en el cual se encontraba.

Flip-Flop T
Este cambia de estado en cada pulso de T. El pulso es un ciclo completo de cero a 1. Con el flip flop T podemos complementar una entrada de reloj al flip flop rs.
La siguiente tabla muestra el comportamiento del FF T y del FF S-R en cada pulso de t.
Flip-Flop J-K (Jump-Keep)
Este una mezcla entre el S-R y el tipo T. A diferencia del RS, en el caso de activarse ambas entradas a la vez, la salida adquiere el estado contrario al que tenía.
La siguiente tabla muestra el comportamiento del flip flop JK
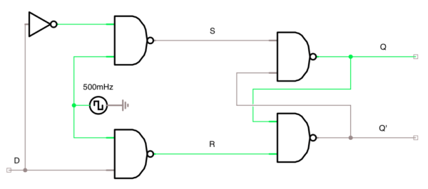
ZFlip-Flop D (Delay)
Es uno de los más sencillos. Su función es dejar pasar lo que entra por D, a la salida Q, después de un pulso del reloj.
La siguiente tabla muestra el comportamiento del flip flop D
Para que sirven las entradas Clear y Preset?
Cuando se están utilizando flip-flops en la construcción de circuitos, es necesario poder controlar el momento en el que un FF empieza a funcionar y el valor con el que inicia su secuencia. Para esto, los flip-flops cuentan con dos entradas que le permiten al diseñador seleccionar los valores iniciales del FF y el momento en el que empieza a funcionar.
Estas entradas son llamadas en Inglés: Clear y Preset.
- Clear – inicializa Q en cero sin importar entradas o reloj
- Preset – inicializa Q en 1 sin importar entradas o reloj
Para ambas entradas, si reciben el valor de:
- 0 : inicializan en el valor correspondiente.
- 1: Opera normalmente
La siguiente figura muestra un FF J-K con entradas de inicialización. Note que tanto la entrada Clear, como la entrada Preset, tienen un círculo. Esto significa que la entrada funciona con un 0.











